Description
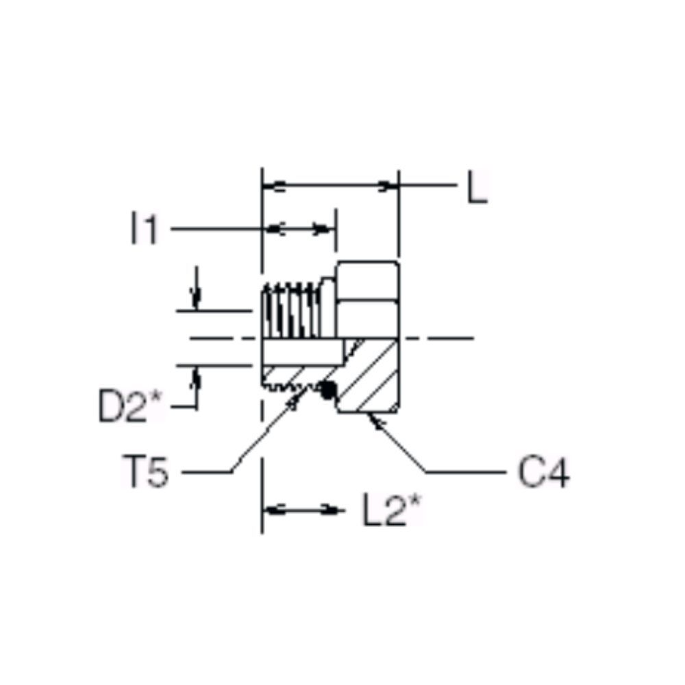
TUBE | T5 | C4 | D2 | l1 | L | L2 |
6408-2 | 5/16-24 | 7/16 | 0.094 | 0.30 | 0.61 | 0.38 |
6408-3 | 3/8-24 | 1/2 | 0.125 | 0.30 | 0.61 | 0.34 |
6408-4 | 7/16-20 | 9/16 | 0.203 | 0.36 | 0.67 | 0.41 |
6408-5 | 1/2-20 | 5/8 | 0.234 | 0.36 | 0.67 | 0.39 |
6408-6 | 9/16-18 | 11/16 | 0.297 | 0.39 | 0.73 | 0.44 |
6408-8 | 3/4-16 | 7/8 | 0.422 | 0.44 | 0.80 | 0.44 |
6408-10 | 7/8-14 | 1 | 0.500 | 0.50 | 0.94 | 0.47 |
6408-12 | 1 1/16-12 | 1 1/4 | 0.656 | 0.59 | 1.09 | 0.59 |
6408-14 | 1 3/16-12 | 1 3/8 | 0.718 | 0.59 | 1.09 | 0.56 |
6408-16 | 1 5/16-12 | 1 1/2 | 0.875 | 0.59 | 1.13 | 0.50 |
6408-20 | 1 5/8-12 | 1 7/8 | 1.094 | 0.59 | 1.20 | 0.41 |
6408-24 | 1 7/8-12 | 2 1/8 | 1.344 | 0.59 | 1.27 | 0.34 |
6408-32 | 2 1/2-12 | 2 3/4 | 1.812 | 0.59 | 1.44 | 0.13 |
6408 Hex Head SAE ORB Fittings Video
This video shows information about 6408 male SAE ORB fittings.
SAE male plug fittings are commonly used in hydraulic systems across various industries, including automotive, construction, agriculture, and industrial equipment.
If you have any questions about SAE o ring fittings, please contact us.



