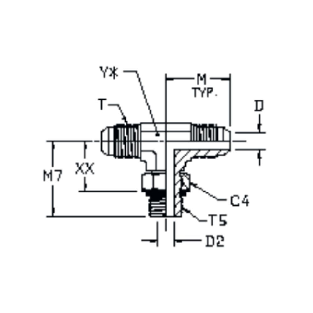
Description
HOSE | TUBE | lT | T5 | C4 | D | D2 | M | M7 | Y(inch) |
6803-4-4-4 | 1 1/4 | 7/16-20 | 7/16-20 | 9/16 | 0.172 | 0.172 | 0.89 | 1.03 | 7/16 |
6803-5-5-5 | 5/16 | 1/2-20 | 1/2-20 | 5/8 | 0.234 | 0.234 | 0.97 | 1.13 | 9/16 |
6803-6-6-6 | 3/8 | 9/16-18 | 9/16-18 | 11/16 | 0.297 | 0.297 | 1.06 | 1.25 | 9/16 |
6803-6-6-8 | 3/8 | 9/16-18 | 3/4-16 | 7/8 | 0.297 | 0.391 | 1.14 | 1.45 | 3/4 |
6803-8-8-8 | 1 1/2 | 3/4-16 | 3/4-16 | 7/8 | 0.391 | 0.391 | 1.25 | 1.45 | 3/4 |
6803-10-10-10 | 5 1/8 | 7/8-14 | 7/8-14 | 1 | 0.484 | 0.484 | 1.45 | 1.70 | 718 |
6803-12-12-12 | 3/4 | 1 1/16-12 | 1 1/16-12 | 1 1/4 | 0.609 | 0.609 | 1.66 | 1.94 | 1 1/16 |
6803-16-16-16 | 1 | 1 5/16-12 | 1 5/16-12 | 1 1/2 | 0.844 | 0.844 | 1.81 | 2.05 | 1 5/16 |
6803-20-20-20 | 1 1/4 | 1 5/8-12 | 1 5/8-12 | 1 7/8 | 1.078 | 1.078 | 2.06 | 2.25 | 1 5/8 |
6803-24-24-24 | 1 1/2 | 1 7/8-12 | 1 7/8-12 | 2 1/8 | 1.312 | 1.312 | 2.33 | 2.39 | 1 7/8 |
6803-32-32-32 | 2 | 2 1/2-12 | 2 1/2-12 | 2 3/4 | 1.781 | 1.781 | 3.06 | 2.89 | 2.50 |
6803 SAE Flare Fitting - Male SAE Branch Tee Fitting Video
This video shows information about 6803 SAE branch tee fitting.
SAE flare fitting is commonly used in hydraulic fluid systems across various applications, including fluid distribution systems, construction, agriculture, and industrial equipment.
If you have any questions about JIC to SAE adapter, please contact us.



