Description
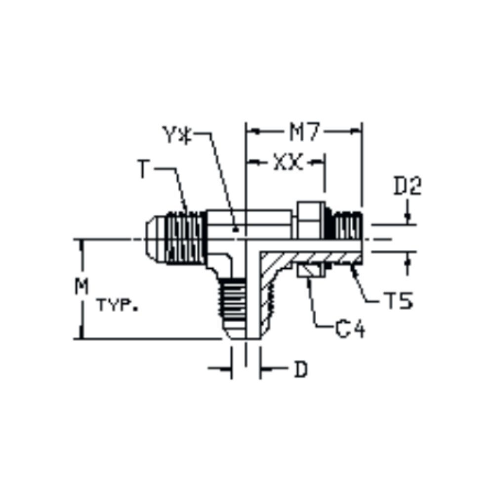
TUBE FITING PART# | TUBE O.D. (inch) | TUBE END UN/UNF-2A | T5 PORT THD UN/UNF-2A | C4 HEX (inch | D DRILL (inch) | D2 DRILL (inch) | M (inch) | M7. (inch) | Y(inch) |
6804-4-4-4 | 1 1/4 | 7/16-20 | 7/16-20 | 9/16 | 0.172 | 0.172 | 0.89 | 1.03 | 7/16 |
6804-5-5-5 | 5/16 | 1/2-20 | 1/2-20 | 5/8 | 0.234 | 0.234 | 0.97 | 1.13 | 9/16 |
6804-6-6-6 | 3/8 | 9/16-18 | 9/16-18 | 11/16 | 0.297 | 0.297 | 1.06 | 1.25 | 9/16 |
6804-8-8-8 | 1/2 | 3/4-16 | 3/4-16 | 7/8 | 0.391 | 0.391 | 1.25 | 1.45 | 3/4 |
6804-10-10-10 | 5/8 | 7/8-14 | 7/8-14 | 1 | 0.484 | 0.484 | 1.45 | 1.70 | 7/8 |
6804-12-12-12 | 3/4 | 1 1/16-12 | 1 1/16-12 | 1 1/4 | 0.609 | 0.609 | 1.66 | 1.94 | 1 1/16 |
6804-16-16-16 | 1 | 1 5/16-12 | 1 5/16-12 | 1 1/2 | 0.844 | 0.844 | 1.81 | 2.05 | 1 5/16 |
6804-20-20-20 | 1 1/4 | 1 5/8-12 | 1 5/8-12 | 1 7/8 | 1.078 | 1.078 | 2.06 | 2.25 | 1 5/8 |
6804-24-24-24 | 1 1/2 | 1 7/8-12 | 1 7/8-12 | 2 1/8 | 1.312 | 1.312 | 2.33 | 2.39 | 1 7/8 |
6804-32-32-32 | 2 | 2 1/2-12 | 2 1/2-12 | 2 3/4 | 1.781 | 1.781 | 3.06 | 2.89 | 2 1/2 |
6804 SAE JIC Fittings - Male SAE Run Tee Fitting Video
This video shows information about 6804 SAE run tee fitting.
SAE JIC fittings are commonly used in hydraulic fluid systems across various applications, including fluid distribution systems, construction, agriculture, and industrial equipment.
If you have any questions about SAE tube fittings, please contact us.




