Description
Pipe to JIC Swivel Hydraulic Fitting
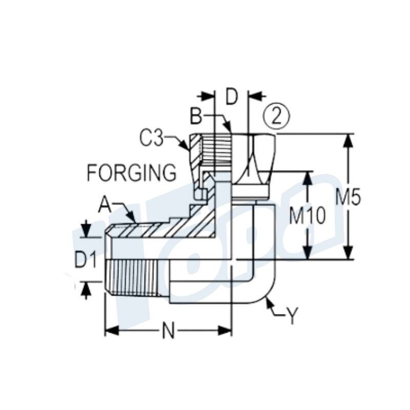
6501 male NPT to female JIC thread swivel hydraulic fitting is a 90-degree elbow hydraulic adapter. This fitting is made of best-quality carbon steel, steel, and stainless steel, strength and reliability. If you need more information about JIC swivel fittings, please contact us!
Dimensional Drawings:
PART NO | TUBE O.D. | A | B UN/UNF-2B | N | M5 | M10 | C3 | Y | D1 | D |
6501-2-4 | 1/4 | 1/8-27 | 7/16-20 | 0.78 | 1.00 | 0.66 | 0.56 | 0.50’ | 0.19’ | 0.17 |
6501-2-4-FG | 1/4 | 1/8-27 | 7/16-20 | 0.78 | 1.00 | 0.66 | 0.56 | 0.44 | 0.19 | 0.17 |
6501-2-5 | 5/16 | 1/8-27 | 1/2-20 | 0.78 | 1.03 | 0.66 | 0.63 | 0.50 | 0.19 | 0.23 |
6501-4-4 | 1/4 | 1/4-18 | 7/16-20 | 1.09 | 1.06 | 0.72 | 0.56 | 0.63 | 0.28 | 0.17 |
6501-4-4-FG | 1/4 | 1/4-18 | 7/16-20 | 1.09 | 1.11 | 0.77 | 0.56 | 0.56 | 0.28 | 0.17 |
6501-4-5 | 5/16 | 1/4-18 | 1/2-20 | 1.09 | 1.09 | 0.72 | 0.63 | 0.63 | 0.28 | 0.23 |
6501-4-6 | 3/8 | 1/4-18 | 9/16-18 | 1.09 | 1.25 | 0.88 | 0.69 | 0.63 | 0.28 | 0.30 |
6501-6-6 | 3/8 | 3/8-18 | 9/16-18 | 1.22 | 1.34 | 0.97 | 0.69 | 0.81 | 0.41 | 0.30 |
6501-6-8 | 1/2 | 3/8-18 | 3/4-16 | 1.22 | 1.38 | 0.96 | 0.88 | 0.81 | 0.41 | 0.39 |
6501-8-6 | 3/8 | 1/2-14 | 9/16-18 | 1.47 | 1.41 | 1.03 | 0.69 | 0.94 | 0.53 | 0.30 |
6501-8-8 | 1/2 | 1/2-14 | 3/4-16 | 1.47 | 1.44 | 1.02 | 0.88 | 0.94 | 0.53 | 0.39 |
6501-8-10 | 5/8 | 1/2-14 | 7/8-14 | 1.47 | 1.62 | 1.12 | 1.00 | 0.94 | 0.53 | 0.48 |
6501-8-12 | 3/4 | 1/2-14 | 1 1/16-12 | 1.56 | 1.78 | 1.22 | 1.25 | 1.13 | 0.53 | 0.61 |
6501-12-8 | 1/2 | 3/4-14 | 3/4-16 | 1.59 | 1.54 | 1.11 | 0.88 | 1.13 | 0.72 | 0.39 |
6501-12-12 | 3/4 | 3/4-14 | 1 1/16-12 | 1.59 | 1.75 | 1.19 | 1.25 | 1.13 | 0.72 | 0.61 |
6501-12-14 | 7/8 | 3/4-14 | 13/16-12 | 1.59 | 1.74 | 1.16 | 1.38 | 1.13 | 0.72 | 0.72 |
6501-16-16 | / | 1-11 1/2 | 15/16-12 | 1.97 | 2.00 | 1.41 | 1.50 | 1.38 | 0.94 | 0.84 |
6501-20-20 | 1 1/4 | 1 1/4-11 1/2 | 1 5/8-12 | 2.38 | 2.31 | 1.68 | 2.00 | 1.75 | 1.25 | 1.08 |
6501-24-24 | 1 1/2 | 1 1/2-11 1/2 | 1 7/8-14 | 2.64 | 2.59 | 1.86 | 2.25 | 2.00 | 1.50 | 1.31 |
6501-32-32-FG | 2 | 2-11 1/2 | 2 1/2-12 | 2.44 | 3.94 | 3.00 | 2.88 | 2.50 | 1.94 | 1.78 |
6501 JIC Swivel Hydraulic Fitting Video
As a hydraulic adapters factory, Topa can supply hydraulic fittings in various sizes. Our products can be used in multiple hydraulic fluid environments, and are resistant to high pressure and temperature.
Topa’s factory has several CNC machines to produce fittings strictly according to your data. Our JIC hydraulic swivel fittings will undergo strict quality inspection to ensure the product meets your usage requirements.
If you want more information about hydraulic hose accessories, please contact us!




